Kereső

Víznyelők

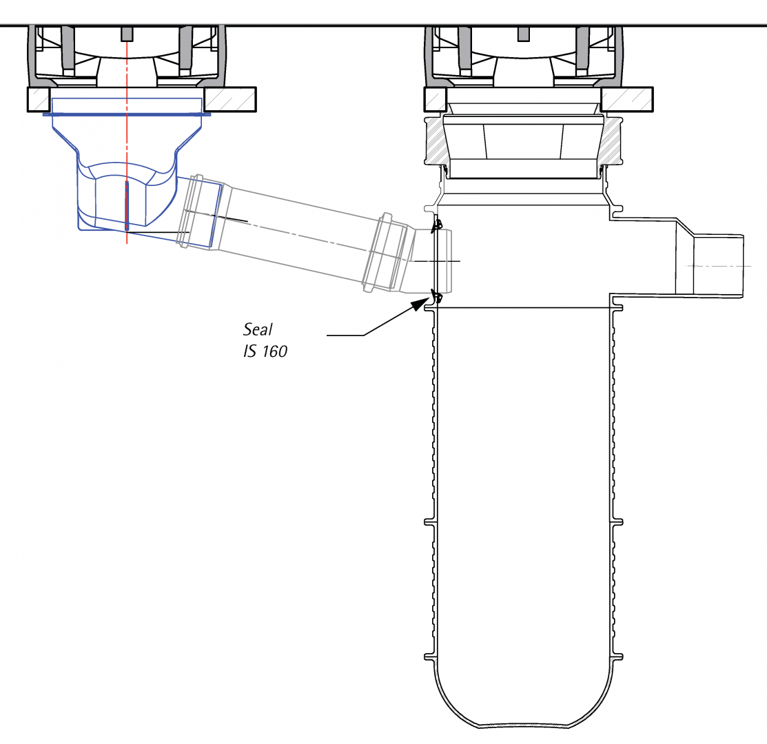
Az általunk forgalmazott, ROMOLD által gyártott gravitációs és nyomás alatti aknarendszereknél, szerelvényaknáknál is megszokott módon a víznyelőink is szinte bármely felhasználási igényt kielégítenek.

A moduláris, illetve az együtt fejlesztett termékeknek köszönhetően, azok kombinálásával bármilyen típusú és elvű csapadékvíz elvezető rendszer felépíthető.


A hagyományos elven kialakítandó csapadékvíz elvezető rendszerekhez külön víznyelő aknákat forgalmazunk, azonban ezen rendszerek hátrányai:

  • A víznyelők mellé, plusz tiszító akna beépítése szükséges.
  • Sok oldalsó bekötéssel jár (minden csatlakozás a szivárgás lehetőségét hordozza magában).
  • Idő- és költségigényesebb kivitelezéssel jár.

 

ROMOLD innovatív hozzáállásának köszönhetően, számtalan víznyelőt forgalmazunk, mely kombinált kivitelű víznyelő és tiszító akna egyben. Ezzel a megoldással:

  • kevesebb akna építése szükséges,
  • kevesebb becsatlakozó ág szükséges,
  • gyorsabb, költséghatékonyabb az építés,
  • könnyebb az üzemeltethetőség.

Az átgondolt termékstruktúrának köszönhetően az alábbi víznyelő típusok, kiegészítők és ezek tetszőleges variációi érhetőek el:

  • egyszerű víznyelő
  • hordalékfogós víznyelő
  • kombinált víznyelő-tisztító akna
  • átfolyós víznyelő
  • egyárilag kialakított bűzzáras víznyelő
  • utólag beépíthető bűzzáró idom
  • uszadékfogó rács

 

A víznyelőkkel kapcsolatos további információkat a letölthető fájlok között található katalógusunkban talál, vagy kérje szaktanácsadó mérnökünk segítségét.

ROMOLD_Logo_quer.jpg


Szaktanácsadó mérnök

Letölthető anyagok

Amennyiben az adott termékhez tartozik letölthető anyag, láthatóvá válik a zöld letöltés gomb. Kérjük, ekkor tekintse meg ezeket a leírásokat, ábrákat, segédleteket vagy a .dwg formátumú rajzokat is!


Vegye fel velünk a kapcsolatot!

* jelölt adatok kitöltése kötelező!

Captcha Code